Introducción
‘La ’serendipia‘ es una feliz coincidencia de circunstancias (de hecho, su nombre proviene del cuento de hadas persa ’Los tres príncipes de Serendib‘, el antiguo nombre de Sri Lanka). Si bien rara vez observamos este efecto en la tecnología de conversión de energía, un ejemplo reciente surge con la combinación del retorno a la distribución de energía de 48 V en centros de datos, un nuevo convertidor de bus de condensadores conmutados no aislado y convertidores de punto de carga (PoL) de alta eficiencia y amplio rango de entrada, formados por módulos de potencia flexibles. Todos estos elementos se combinan para ofrecer una alta eficiencia de conversión de energía del sistema a un costo económico y con una densidad de potencia extremadamente alta.
¿Cómo se ha llegado a esta situación? Las arquitecturas de los sistemas de centros de datos han evolucionado con el tiempo para reducir las pérdidas ante el creciente tráfico de datos, y ahora existe un renovado interés en distribuir energía a 48 V, donde las pérdidas óhmicas se reducen 16 veces en comparación con 12 V. Sin embargo, las tensiones de carga final son inferiores a 1 V para los requisitos de corriente más altos de las CPU, las GPU y otros circuitos integrados de procesamiento intensivo, pero una alta relación de conversión a esta tensión desde 48 V en un convertidor no aislado genera grandes pérdidas. Una solución consiste en utilizar dos etapas de conversión: una con aislamiento, a 12 V, y la segunda sin aislamiento, a la tensión de carga final. De todos modos, a menudo se necesitan 12 V para interfaces y equipos como discos duros. Sin embargo, la eficiencia podría volver a ser un problema con la etapa de conversión adicional.
Los convertidores de bus no necesariamente necesitan regulación o aislamiento.
Ya se ha reconocido que el convertidor de bus de 48 V a 12 V no necesita necesariamente regulación activa y podría funcionar como un simple convertidor de relación, transfiriendo cambios porcentuales en la tensión de entrada a cambios porcentuales casi iguales en la tensión de salida, siempre que los siguientes PoL tengan un rango de entrada suficientemente amplio. Este enfoque es elegante, pero presenta algunos problemas: cualquier sobretensión de entrada se transmite directamente y la elección de componentes es limitada debido a restricciones de patentes. Además, el aislamiento de seguridad no es necesario, ya que la principal barrera de aislamiento la proporcionan los convertidores CA/CC anteriores. Por lo tanto, una alternativa ideal sería un convertidor de relación simple, no aislado, con una topología diferente que mantenga una eficiencia muy alta, como se puede encontrar en los módulos de potencia Flex. BMR310 Producto. Se trata de un convertidor de condensador conmutado con una relación fija de 4:1 que alcanza una eficiencia máxima de 98%, con una potencia nominal continua de 860 W (1060 W de pico) en un encapsulado de tan solo 58,4 mm x 25 mm x 9,9 mm, incluyendo su placa base térmica.
La idea se remonta a 100 años atrás.
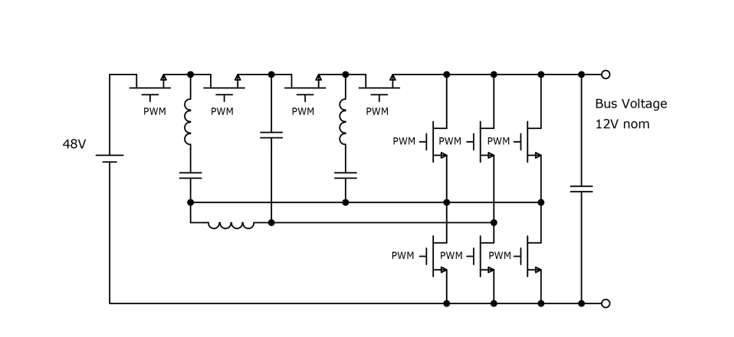
Los convertidores de condensadores conmutados se conocen desde hace unos 100 años y, de hecho, el circuito básico del BMR310 es un multiplicador de Dickson (Figura 1)

Figura 1: Esquema del convertidor de bus de condensador conmutado BMR310 de los módulos de potencia Flex
En pocas palabras, los condensadores se cargan en serie y luego se descargan en paralelo, con MOSFETs realizando la conmutación adecuada, y de esta manera, son posibles varias relaciones de conversión fijas, incluyendo 4:1. Sin embargo, la eficiencia del circuito original es baja a alta potencia, requiriendo grandes condensadores para transferir energía mientras soporta altas corrientes de impulso en los flancos de conmutación. Los propios interruptores, originalmente típicamente BJT, también introdujeron caídas de voltaje y pérdidas de conmutación excesivas. BMR310 El circuito y su control son diferentes: desarrollado a partir de la tecnología Infineon, se conmuta por resonancia con elementos inductivos formados principalmente por parásitos del circuito, lo que reduce drásticamente las pérdidas dinámicas de los interruptores y condensadores. Las ganancias también se aprovechan de interruptores de muy baja resistencia de encendido y de los altos valores de CV y bajos valores de ESR de los condensadores cerámicos multicapa de última generación. El resultado es un convertidor de bus económico y de alta densidad de potencia que se puede conectar en paralelo fácilmente para cargas aún mayores con reparto de corriente de "caída". Esto se facilita gracias a que la tensión de salida varía alrededor del 5% desde carga completa hasta sin carga, lo que, junto con la variación de la línea, es adecuado como entrada para PoL de entrada amplia aguas abajo. Funciones de protección completas y PMBus® El control y la monitorización están integrados, incluyendo la protección contra sobretensiones de salida, para evitar que las sobretensiones de entrada lleguen a la salida.
‘Los convertidores de bus de "relación" deben ir seguidos de un convertidor PoL de entrada amplia.
La segunda pieza de nuestro rompecabezas del "lugar feliz" es el convertidor PoL descendente. Hay muchos componentes comerciales disponibles, pero solo con rangos de entrada estrechos, especialmente cuando están clasificados para los cientos de amperios necesarios para las cargas finales de los centros de datos. Para aprovechar el enfoque de conversión de relación, el PoL debe aceptar una variación del rango de entrada de típicamente 10-15 V del BMR310 con variación de línea y carga. El PoL debe ser lo más flexible posible para los diferentes voltajes y corrientes de carga encontrados, junto con una cifra de densidad de potencia alta correspondiente. Los módulos de potencia Flex BMR510 es ideal para esto, como una etapa de potencia PoL bifásica no comprometida que puede ser controlada por una variedad de controladores PWM. Cada canal incluye los MOSFET de potencia, condensadores e inductor de salida necesarios, y tiene una capacidad nominal de 40 A/70 A pico por fase, o el doble de estas cifras por módulo. Alternativamente, las fases pueden controlarse por separado para diferentes voltajes de salida. Las fases en paralelo también pueden ser controladas en contrafase para una menor ondulación, y varios BMR510 pueden conectarse en paralelo con el control PWM adecuado para un convertidor reductor multifásico de muy alta corriente. BMR510 Está dimensionado para cubrir un rango de voltaje de salida de 0,5 V a 1,3 V y un rango de entrada de 4,5 V a 16 V, ideal para su uso con el BMR310. Incluye todos los circuitos de control de puerta, así como una protección integral contra sobrecorriente y sobretemperatura, con valores medidos disponibles para monitorización remota. El componente es compatible con otros proveedores del mercado y utiliza la dimensión 'Z' para un tamaño de tan solo 10 mm x 9 mm y 7,6 mm de altura, con una eficiente refrigeración directa de los semiconductores de la etapa de potencia por la parte superior, a diferencia de otros diseños con inductores en la parte superior.
Con los módulos BMR310 y BMR510, ambos compatibles con el Diseñador de energía Flex Gracias a su software, la empresa ha identificado y aprovechado la acertada combinación de un convertidor de bus de relación no aislado con una tecnología innovadora y un convertidor PoL de entrada amplia pero flexible, lo que da como resultado una solución elegante, económica y de alta eficiencia para las necesidades de alimentación de los centros de datos. Una verdadera casualidad.