Aislamiento: conceptos básicos
El aislamiento en términos de convertidores CC/CC se refiere a aislamiento galvánico Esto significa que no existe una vía de conducción metálica/directa entre dos partes del circuito. El aislamiento siempre representará una barrera entre la etapa de entrada y la etapa de salida, y puede ser necesario para el funcionamiento del circuito, la seguridad o ambas.

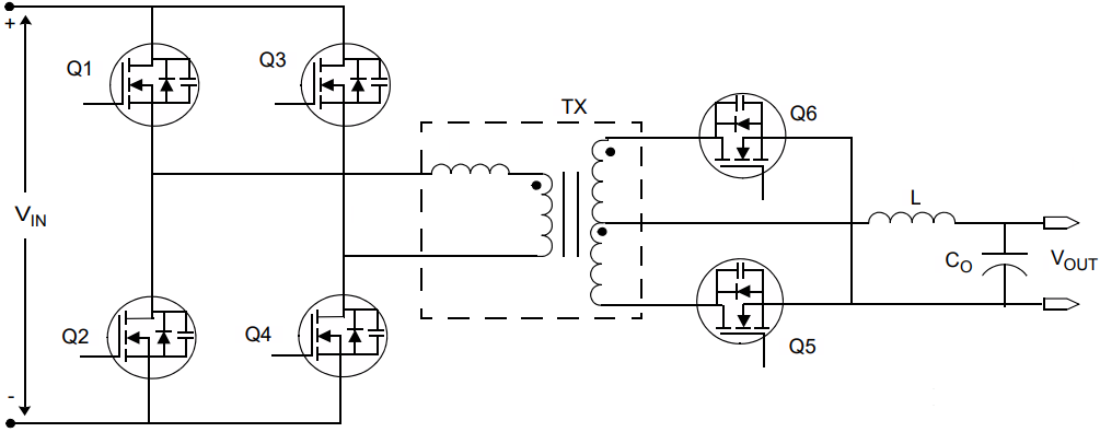
Figura 1: Diagrama típico de circuito aislado
En un convertidor aislado, las etapas de entrada y salida tienen conexiones a tierra independientes, mientras que en un convertidor no aislado, la corriente fluye directamente entre ambas, ya que comparten una conexión a tierra común. El aislamiento se suele lograr incorporando un transformador al circuito, de modo que la potencia se transfiere mediante energía electromagnética. Si bien esto conlleva cierta pérdida de eficiencia, con un transformador diseñado cuidadosamente, esta puede minimizarse.
En algunos casos, es necesario enrutar señales a través del límite de aislamiento. Esto es particularmente necesario con dispositivos regulados que requieren una señal de retroalimentación. Para preservar el aislamiento, estas señales también deben estar aisladas. En el caso de señales de CA, se puede utilizar un transformador de pequeña señal, mientras que para señales de CC, el aislamiento generalmente se proporciona mediante un optoacoplador.
El aislamiento se logra mediante el aislamiento eléctrico entre los conductores, ya sea con aire o, más comúnmente, con cinta adhesiva u otro material no conductor. Generalmente se expresa como un voltaje, y la aplicación de un voltaje superior a este nivel puede provocar la ruptura del aislamiento.
Convertidores aislados: los beneficios
Quizás la mayor ventaja del aislamiento sea el cumplimiento de las normas de seguridad, especialmente en equipos conectados a la red eléctrica. La barrera de aislamiento evita que tensiones peligrosas de la red eléctrica lleguen a la salida, donde podrían entrar en contacto; esto es particularmente relevante en aplicaciones como las médicas, donde el paciente puede estar conectado directamente al circuito.
Existen cuatro niveles principales de aislamiento.
- Aislamiento funcional/operacional: esto es solo por razones operativas y no ofrece ninguna protección contra golpes.
- Aislamiento básico: una sola capa de aislamiento que ofrece protección contra golpes.
- Aislamiento suplementario: añade otra capa al aislamiento básico para proporcionar redundancia.
- Aislamiento reforzado: una única barrera que ofrece el doble de protección que el aislamiento básico.
En muchas aplicaciones, el ruido puede ser un problema, y dado que las fuentes de alimentación aisladas no comparten tierra, se pueden insertar en el circuito para eliminar los bucles de tierra. Esto puede ser útil para separar una línea analógica sensible de una línea digital ruidosa.
Convertidores no aislados: las ventajas

Figura 2: Diagrama típico de un circuito no aislado
En general, los convertidores no aislados son menos flexibles que sus homólogos aislados. Sin embargo, ofrecen varias ventajas para los diseñadores cuando no se requiere aislamiento.
La principal diferencia radica en que un convertidor no aislado no tiene transformador y no requiere separación física entre la entrada y la salida, lo que generalmente los hace más pequeños y ligeros. Además, mejora la eficiencia, ya que no hay pérdidas por transformador que considerar.
El diseño de convertidores no aislados suele ser más sencillo, ya que no se requiere aislamiento para las señales que cruzan el límite de aislamiento, eliminando la necesidad de optoacopladores y/o transformadores de señal. Esta reducción en la lista de materiales implica que los convertidores no aislados tienden a ser más económicos.
Sistemas multiconvertidores
En sistemas más complejos que requieren múltiples líneas de alimentación, se utilizan varios convertidores para transformar una única tensión de entrada en todas las tensiones que necesita el sistema. Si se requiere aislamiento, no es necesario que todos los convertidores estén aislados. A menudo, se utiliza un convertidor de reducción para disminuir la tensión de entrada a un nivel inferior antes de la conversión posterior.
El riel de media tensión se conoce como "bus intermedio" y el convertidor de alta tensión se suele denominar "convertidor de bus intermedio" (IBC). Son comunes en sistemas de telecomunicaciones, donde convierten la tensión nominal de la batería de 48/53 V a 12 V, antes de que una serie de convertidores no aislados generen las tensiones necesarias para las distintas cargas. Dado que estos convertidores se ubican cerca de las cargas que alimentan, a menudo se les denomina convertidores de "punto de carga" (PoL).
Debido a la reciente tendencia en aplicaciones de alto rendimiento, como la informática, los centros de datos y la inteligencia artificial (IA), de cambiar la tensión de alimentación de 12 V a 48 V, principalmente para reducir las corrientes y las pérdidas asociadas, el enfoque del bus intermedio también se está convirtiendo en una opción popular en estos ámbitos.
Sin embargo, dado que este tipo de aplicaciones se alimentan mediante una fuente de alimentación conmutada CA/CC (SMPS), a menudo no se requiere aislamiento de seguridad dentro del IBC, ya que la SMPS (si está correctamente especificada) incluye el aislamiento de seguridad necesario para el sistema. Esto significa que los ingenieros que diseñan estos sistemas pueden aprovechar un nuevo tipo de IBC sin aislamiento que ofrece las ventajas de un tamaño reducido, mayor densidad de potencia, mayor eficiencia y menor coste.
Los módulos de potencia Flex ofrecen actualmente varios tipos de IBC no aislados. La serie BMR490 fue la primera y se basa en un cuarto de ladrillo digital estándar de la industria, capaz de proporcionar una salida de 12 V con niveles de potencia de hasta 1300 W (139 A) y eficiencias de hasta 97,7%. Para aplicaciones que requieren mayor potencia, la función de reparto de corriente activa permite el uso de varios dispositivos en paralelo.
El BMR350 La serie ofrece todas las características del BMR490, pero está optimizada aún más para una mejor relación precio/rendimiento. Este dispositivo tiene un límite de diseño térmico de hasta 1300 W y es capaz de entregar una potencia máxima de hasta 1700 W, una característica muy útil para abordar las corrientes de arranque y los picos de carga transitorios. BMR350 Ofrece eficiencias de hasta 97,7%.
El BMR351 Esta serie lleva estos niveles de potencia a nuevas cotas y ofrece hasta 1600 W de TDP (Potencia de Diseño Térmico) y 2320 W de potencia máxima.
El BMR310 Se trata de otra solución IBC no aislada, que ofrece una potencia continua de 860 W y una potencia máxima de hasta 1060 W mediante una novedosa tecnología de condensadores conmutados. El uso de la transferencia de energía capacitiva con conmutación suave de los dispositivos de potencia permite un tamaño mucho menor y un perfil de altura reducido. Además de la versión inicial, que incluye una placa base de tan solo 10,3 mm de altura, las futuras versiones incluirán un diseño de bastidor abierto, lo que reducirá aún más la altura total del IBC hasta los 6,5 mm.
Resumen
El aislamiento es una característica muy útil en las soluciones de alimentación, ya que permite un funcionamiento seguro, reduce el ruido y los bucles de tierra, y ofrece flexibilidad en la configuración de las líneas de tensión entre sí.
Sin embargo, cuando es posible utilizar convertidores no aislados, los diseñadores pueden aprovechar un tamaño más pequeño, una mayor densidad de potencia, una mejor eficiencia y menores costes.
La arquitectura de bus intermedio ha sido popular durante varias décadas y, hasta hace poco, el IBC era un dispositivo aislado. Sin embargo, a medida que este enfoque encuentra nuevas aplicaciones, como la computación de alto rendimiento y las comunicaciones de datos, el aislamiento no es necesario en el IBC, ya que está presente en la SMPS frontal. En este escenario, los diseñadores pueden aprovechar el uso de IBC no aislados, como el BMR350, BMR351 y en BMR310 de los módulos de alimentación Flex.