Contáctanos

Soluciones de suministro de energía vertical (VPD)

Suministro de energía de alta corriente directamente a la carga

Las aplicaciones que consumen mucha energía, como la Inteligencia Artificial (IA) y el Aprendizaje Automático (ML), que utilizan los últimos ASIC o xPU (TPU/GPU/CPU/NPU/IPU), requieren que se suministren grandes cantidades de corriente al núcleo a niveles inferiores a 1 V, y necesitan hacer frente a las demandas transitorias de carga ultrarrápidas con la menor perturbación posible de los voltajes críticos utilizados para alimentarlas.

Se necesitan nuevas técnicas de suministro de energía, como el suministro de energía vertical (VPD, por sus siglas en inglés), en las que la energía se ubica directamente debajo de la carga, lo que ofrece varias ventajas.

Entre los beneficios de utilizar la distribución vertical de energía se incluyen:

  • Reducción considerable del espacio en la placa ocupado por soluciones de alimentación lateral alternativas ubicadas en la parte superior.
  • Reducción de las pérdidas en la red de distribución de energía (PDN) en comparación con las soluciones de suministro de energía lateral.
  • Menor recorrido parásito desde el convertidor hasta la carga.
  • Mayor eficiencia del sistema
  • Matriz de rejilla de bolas diseñada para coincidir directamente con el mapa de pines de cada xPU/ASIC, lo que reduce la complejidad del enrutamiento.
  • Perfil personalizado, soluciones multirraíl escalables
  • Los diseños modulares ofrecen facilidad de fabricación y flexibilidad por parte del proveedor.
  • Mayor eficiencia en el suministro de energía, reduce el consumo energético total.
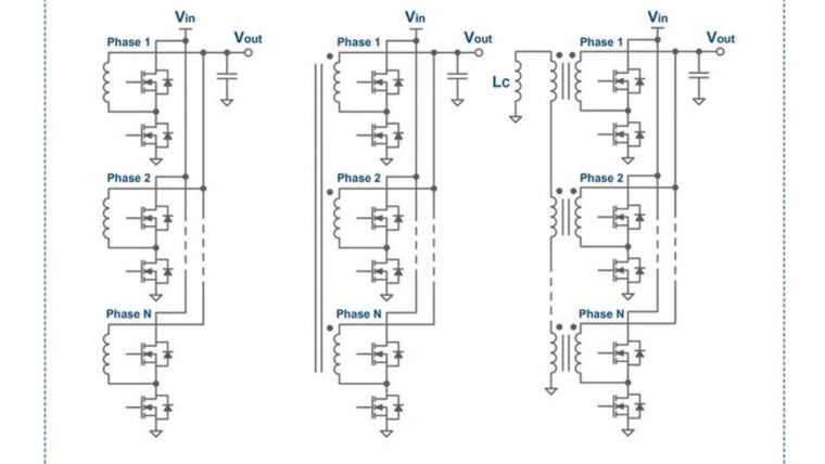
Dibujo de suministro de energía vertical
Departamento de Policía de Virginia

Un ejemplo de soluciones VPD personalizadas se muestra arriba como referencia. Si este es un área de interés para su próximo diseño, Por favor, póngase en contacto con nosotros. para analizar con más detalle cómo podemos apoyar sus diseños de próxima generación.